COH24是一款單偏振90°光混頻器(光混合器、90°光電橋),通過在信號和本地振蕩器(LO)之間執行四個90°相位干涉,能夠從單個偏振信號中提取相位和振幅。 COH24-X是新一代光學混頻器,具有改進的性能(更寬的工作波長范圍和更好的雙重均勻性)。COH28和COH28-X基于兩個單偏振90°光學混頻器,能夠從任何偏振信號中提取相位、振幅和偏振信息。COH24與COH28都是無源、無熱光器件產品。 COH24-X和COH28-X還具有相位可調性選項,以便根據所使用的波長完美地調整混合90°。此外,還有COH22的雙偏振180°光學混頻器。
產品簡介:
COH24是一種單偏振90°光混頻器,通過在信號和本地振蕩器(LO)之間執行四個90°相位步進干涉,能夠從單偏振信號中提取相位和幅度。COH24-X是新一代光學混頻器,相比于COH24具有改進的性能(更寬的工作波長范圍和更好的雙均勻性)。
COH28和COH28-X基于兩個單偏振90°光混頻器,能夠從具有任何偏振的信號中提取相位、幅度和偏振。
這些產品是純無源和無熱設計。
COH24-X和COH28-X還具有相位可調選項,以便根據使用的波長完美調整混頻器到90°。
COH22是一款雙偏振180°光混頻器。
工作波長:
兩種COH-X都可以定制從可見光至紅外波段不同工作波長。這些光混頻器將可以在用戶指定的中心波長數十納秒的范圍的正常工作。1300nm、1064nm和800nm的產品已經成功制造。聯系leyu集團光電獲取可定制波長的光混頻器。
分束比:
對于標準COH,在I上具有來自信號(SIGNAL)(或LO/本振)的50%的光功率,在Q上具有50%的光功率。
這個分束比可以定制。例如,我們可以從信號(SIGNAL)(或LO/本振)中分離光功率,以便在I上獲得10%,在Q上獲得90%。SIGNAL(信號) 和LO(本振) 的分光比可以不同。
光纖類型與連接器:
對于單偏振光混頻器(COH24和COH24-X),信號和本振光都有保偏光纖(PMF),輸出為單模光纖(SMF)。
對于雙偏振光混頻器(COH22、COH28和COH28-X),本振光信號為保偏光纖(PMF),信號光為單模光纖(SMF)。 輸出為單模光纖(SMF)。
對于所有這些光混頻器產品,輸出可以選擇使用PER為20dB保偏光纖(PMF)。
對于COH22、COH28和COH28-X光混頻器,信號輸入可以選擇使保偏光纖對齊,這樣慢軸和快軸被輸入PBS分開。 最終,光纖可以根據客戶要求以不同的方式對齊。
這些光混頻器可以使用任何類型的連接器(FP/UPC、FC/APC、SC/PC、SC/APC、LC/PC、E2000/PC、E2000/APC)。
我們所有的光混頻器(COH)產品都提供標準為1m的光纖長度??筛鶕筇峁┑椭?0厘米的其他光纖長度。
絕對最大額定值:
|
參數規格 |
符號 |
Min |
Typ. |
Max |
單位 |
備注/條件 |
|
最大輸入光功率 |
OpIn |
|
|
300 |
mW |
|
|
存儲溫度范圍 |
STR |
-40 |
|
80 |
℃ |
|
|
濕度范圍 |
RH |
5 |
|
85 |
% |
非凝結狀態 |
|
光纖彎曲半徑 |
|
20 |
|
|
mm |
|
|
最大輸入電壓1 |
U |
|
|
4 |
V |
|
*1:相位可調選型僅COH24X,COH28X。
工作條件:
|
參數 |
符號 |
Min |
Typ. |
Max |
單位 |
備注/條件 |
|
|
工作波長范圍 |
COH |
OWR |
1520 |
|
1570 |
nm |
|
|
工作波長范圍 |
COH-X |
OWR |
1520 |
|
1625 |
nm |
|
|
工作溫度范圍 |
OTR |
0 |
|
70 |
℃ |
|
|
參數規格指標:
|
參數 |
符號 |
Min |
Typ. |
Max |
單位 |
備注/條件 |
|
|
插入損耗(信號端口)2 |
COH24/COH24-X |
IL→S |
|
7 |
8.5 |
dB |
含6dB自然損耗 |
|
插入損耗(信號端口)2 |
COH28/COH28-X |
IL→S |
|
7 |
8.5 |
dB |
含6dB自然損耗 |
|
插入損耗(本振端口)2 |
COH24/COH24-X |
IL→LO |
|
7 |
8.5 |
dB |
含6dB自然損耗 |
|
插入損耗(本振端口)2 |
COH28/COH28-X |
IL→LO |
|
10 |
11.5 |
dB |
含9dB自然損耗 |
|
插入損耗均勻度2,3 |
COH |
ΔIL |
|
1 |
2 |
dB |
無連接器 |
|
插入損耗均勻度2,3 |
COH-X |
ΔIL |
|
0.5 |
1 |
dB |
無連接器 |
|
插入損耗雙均勻度2,3 |
COH |
Δdual |
|
0.5 |
1 |
dB |
平衡輸出之間,無連接器 |
|
插入損耗雙均勻度2,3 |
COH-X |
Δdual |
|
0.2 |
0.5 |
dB |
平衡輸出之間,無連接器 |
|
相移I和Q2 |
φ |
85 |
|
95 |
deg |
|
|
|
時鐘偏移/Skew4 |
|
|
0.5 |
1 |
ps |
連接器端測試 |
|
|
光回波損耗 |
ORL |
35 |
|
|
dB |
|
|
|
偏振分束比5 |
PSR |
20 |
|
|
dB |
輸入端,X與Y偏振分束比 |
|
|
可調相移范圍2,6 |
Δφ |
±20 |
|
|
deg |
0-3V電壓 |
|
|
封裝尺寸7 |
COH |
|
70 x 52 x 10 |
mm3 |
|
||
|
封裝尺寸7 |
COH-X |
|
180 x 32 x 19.5 |
|
|
||
|
尾纖類型 |
SM |
|
SMF-28 |
|
900um松套管 |
||
|
尾纖類型 |
PM |
|
PANDA PM |
|
|
||
|
尾纖長度 |
|
0.9 |
1 |
1.1 |
m |
其他長度可定制 |
|
*2:在OTR和OWR上全偏振態測試。
*3:信號端口與輸出端口插入損耗,本振端口與輸出端口插入損耗。
*4:所有端口。Skew:
*5:僅COH28及COH28-X。
*6:僅帶可調移相功能版本。
*7:不含光纖插銷(凸起部位)。
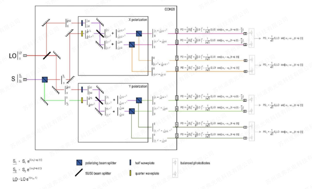
功能結構圖:
COH28結構圖
COH24結構圖
光混頻器COH-X和COH雙均勻度:
|
|
|
|
COH24 IL雙均勻度s vs頻率(波長) |
COH24-X IL雙均勻度vs頻率(波長) |
上圖比較了標準光混頻器(COH)和新一代光混頻器(COH-X)的信號和本振的雙均勻性,這是90°光混頻器的關鍵參數。 我們可以清楚地看到,COH-X在更寬的范圍內表現出更好的雙均勻性。
相位調諧(可調相移)選項:
光混頻器的90°相移略微取決于波長。 例如,它在C波段上增加了大約2°到3°。 這意味著如果在191THz時相移為88.5°,則在197THz時相移約為91.5°(有關一些典型測量值,請參見下一段)。
針對于某些應用來說,無論您使用什么波長,都需要有一個非常精確的90°相移。 這就需要COH-X上的相位調諧(可調相移)選項來實現。 使用此選項,可以在光混頻器上施加0V和4V之間的兩個電壓(V1和V2)。 一個會增加相移,而第二個會減少相移。 因此,對于OWR中的任何波長,相移都可以調整為精確等于90°。
以下是帶有相位調諧選項的COH24-X的包裝以及COH24-X設備的相移與電壓的典型測量值:
|
|
|
|
COH24-X帶相位調諧選項封裝/外觀 |
參考圖:相位調諧VS施加電壓范圍 |
典型測試參考:
以下兩個測試顯示了90°相移的典型數據參考。圖1,可以看到相移隨溫度的變化非常?。ǎ?°)。 因此,光混頻器不需要任何溫度控制來確保精確、穩定的90°相移。圖2,可以看到相移隨波長的變化很小(<3°)。但是,如果對于某些特定應用需要非常精確的90°相移,COH-X上可用的相位可調選項將能夠針對OWR的任何波長進行精確調整。
|
|
|
|
圖1: COH28相位變化vs溫度關系 |
圖2: COH28相位變化vs波長/頻率關系 |
圖3(下圖)顯示了IL變化與溫度的關系。 可以看到,每個輸出沒有完全相同的變化,但它們都保持很小,以及雙重和總均勻性。
圖表3:插入損耗隨溫度的變化(COH28-X信號→輸出)
應用案例:全可調90°光混頻器
為了能夠控制COH24-X或COH28-X的所有參數,我們建議在19英寸2U機架中使用用戶可以調整的系統:
l 相位
l 插入損耗均勻度
l 時鐘偏移/Skew
雙偏振90°光混頻器
基于以下框圖和規格提供雙偏振180°光混頻器:
|
參數 |
符號 |
Min |
Typ. |
Max |
單位 |
備注/條件 |
|
|
插入損耗(信號端口)1 |
IL→S |
|
4 |
5 |
dB |
含3dB自然損耗 |
|
|
插入損耗(本振端口)1 |
IL→LO |
|
7 |
8 |
dB |
含6dB自然損耗 |
|
|
插入損耗均勻度1,2 |
ΔIL |
|
0.8 |
1.5 |
dB |
不含連接器 |
|
|
插入損耗雙均勻度1,2 |
Δdual |
|
0.2 |
0.8 |
dB |
平衡輸出之間,無連接器 |
|
|
相移I和Q1 |
φ |
85 |
|
95 |
deg |
|
|
|
時鐘偏移/Skew3 |
|
|
0.5 |
1 |
ps |
連接器端測試 |
|
|
光回損 |
ORL |
35 |
|
|
dB |
|
|
|
封裝尺寸4 |
|
70 x 52 x 10 |
mm3 |
|
|||
|
尾纖類型 |
SM |
|
SMF-28 |
|
900um松套管 |
||
|
尾纖類型 |
PM |
|
PANDA PM |
|
900um松套管 |
||
|
尾纖長度 |
|
0.9 |
1 |
1.1 |
m |
其他長度可定制 |
|
*1:在OTR和OWR上全偏振態測試。
*2:從信號端口或本振端口到輸出端口。
*3:針對于所有端口
*4:不含光纖插銷(凸起部位)。
用戶定制:
可以輕松定制我們的大部分產品,90°光混頻器也是如此。 客戶可以隨時要求他們需要的任何定制。 聯系leyu集團光電獲取更多信息。
產品封裝:
|
|
|
|
COH28 packaging |
COH-X packaging |
版本信息:
|
日期 |
版本 |
目的 |
|
March 27, 2013 |
COH V1.0 |
初版/創建 |
|
February 3rd,2015 |
COH V1.1 |
新增COH22 (雙偏振180°光混頻器) |
|
February 24th, 2015 |
COH V1.2 |
COH22指標更新 |
*更多光混頻器產品資料信息,聯系leyu集團光電相關銷售人員確認。
*COH24 vs COH24X產品參數規格參考:
| COH24 vs COH24X | ||||
| MODEL | COH24 | COH24(PM) | COH24X |
COH24X (phase tunable) |
| wavelength (nm) | 1520-1570 | 1520-1570 | 1520-1625 | 1520-1625 |
| Frequency range (THz) | 191-197 | 191-197 | 184-197 | 184-197 |
| Phase diff.betw.In and Qn (deg) | 90 | 90 | 90 | 90 |
| Phase accuracy (deg) | 5 | 5 | 5 | 5 |
| Excess IL (dB) | 2.5 | 2.5 | 2.5 | 2.5 |
| Dual uniformity (dB) | 1.1 | 1.1 | 0.6 | 0.6 |
| IL uniformity (dB) | 2.0 | 2.0 | 1.0 | 1.0 |
| PER (dB) | n.a. | 19 | n.a. | n.a. |
| ORL (dB) | 30 | 30 | 30 | 30 |
| Skew (ps) | 1 | 1 | 1 | 1 |
| Maximum input optical power (mW) | 300 | 300 | 300 | 300 |
| OTR (℃) | 0/70 | 0/70 | 0/70 | 0/70 |
| Storage T (℃) | -40/80 | -40/80 | -40/80 | -40/80 |
| Signal connector | FC/APC | FC/APC | FC/APC | FC/APC |
| LO connector | FC/APC | FC/APC | FC/APC | FC/APC |
| Outputs connectors | FC/APC | FC/APC | FC/APC | FC/APC |
| Signal fiber type | PMF | PMF | PMF | PMF |
| LO fiber type | PMF | PMF | PMF | PMF |
| Outputs fibers type | SMF | PMF | SMF | SMF |
| fiber protection | ||||
| Signal fiber length (m) | 1.0 | 1.0 | 1.0 | 1.0 |
| LO fiber length (m) | 1.0 | 1.0 | 1.0 | 1.0 |
| Outputs fibers length (m) | 1.0 | 1.0 | 1.0 | 1.0 |
| Phase tunable range (deg) | n.a. | n.a. | n.a. | 70 to 110 |
| Tuning voltage (V) | n.a. | n.a. | n.a. | 0 to 4 |
| Power consumption (W) | n.a. | n.a. | n.a. | 0.5 |
| Package | PK-09-001-B | PK-09-001-B | PK-13-010 B | PK-13-011 C |
| Packaging size | 70 x 52 x 10 | 70 x 52 x 10 | 180 x 32 x 19.5 | 180 x 32 x 19.5 |
| 備注 | 更多產品信息、需求信息,聯系蘇州leyu集團光電科技有限公司相關銷售人員。 | |||
COH28&COH28X產品參數規格參考:
| COH28 vs COH28X | ||
| MODEL | COH28 | COH28X |
| wavelength (nm) | 1520-1570 | 1520-1625 |
| Frequency range (THz) | 191-197 | 184-197 |
| Phase diff.betw.In and Qn (deg) | 90 | 90 |
| Phase accuracy (deg) | 5 | 5 |
| Excess IL (dB) | 2.5 | 2.5 |
| Dual uniformity (dB) | 1.1 | 0.6 |
| IL uniformity (dB) | 2.0 | 1.5 |
| PER (dB) | n.a. | n.a. |
| ORL (dB) | 30 | 30 |
| Skew (ps) | 1 | 1 |
| Maximum input optical power (mW) | 300 | 300 |
| OTR (℃) | 0/70 | 0/70 |
| Storage T (℃) | -40/80 | -40/85 |
| Signal connector | FC/APC | FC/APC |
| LO connector | FC/APC | FC/APC |
| Outputs connectors | FC/APC | FC/APC |
| Signal fiber type | SMF | SMF |
| LO fiber type | PMF | PMF |
| Outputs fibers type | SMF | SMF |
| fiber protection | ||
| Signal fiber length (m) | 1.0 | 1.0 |
| LO fiber length (m) | 1.0 | 1.0 |
| Outputs fibers length (m) | 1.0 | 1.0 |
| Phase tunable range (deg) | n.a. | n.a. |
| Tuning voltage (V) | n.a. | n.a. |
| Power consumption (W) | n.a. | n.a. |
| Package | PK-09-002-B | PK-13-009 B |
| Packaging size | 70 x 52 x 10mm | 180 x 32 x 19.5mm |
| 備注 | 更多產品信息、需求信息,聯系蘇州leyu集團光電科技有限公司相關銷售人員。 | |
產品選型參考:
|
系列 |
說明 |
|
COH24 |
C波段單偏振90°光學混頻器(90°光電橋) |
|
COH24-X |
C+L波段單偏振90°光學混頻器(90°光電橋),可選相位調諧 |
|
COH28 |
C波段雙單偏振90°光學混頻器(90°光電橋) |
|
COH28-X |
C+L波段雙單偏振90°光學混頻器(90°光電橋),可選相位調諧 |
|
COH22 |
C波段雙偏振180°光學混頻器(光混合器,180°光電橋) |
